
(Bulk) Metallic Glasses (BMG) (amorphous alloys) and related nanostructured or glass-matrix composite materials provide a wide spectrum of tunable mechanical, physical and chemical properties suitable for a variety of structural or functional applications. Generally metallic glasses are considered as highly corrosion-resistant materials, but in-depth studies revealed that the choice of composition for achieving high glass-forming ability, structural fluctuations or mechanical loads are critical factors for their corrosion stability. Our focus is on fundamental studies of corrosion mechanisms for Zr-, Ti-, Fe- and Mg-based alloy systems. We exploited this expertise for developing the advanced electrochemical micromachining technique (ECMM) for metallic glasses.
A new focus of our research is the corrosion analysis of advanced metastable alloys fabricated by additive manufacturing using the selective laser melting (SLM) process. The rapid solidification conditions result in new microstructures with large impact on the corrosion properties in application-relevant environments. Those phenomena are studied for Al- and Fe-based alloys as well as for selected metallic glass systems.
We work in close cooperation with the group Alloy Design and Processing

● The corrosion properties of selective laser melted (SLM) and of additionally heat-treated (T6) Al-3.5Cu-1.5 Mg–1Si samples were assessed in 0.001 M and 0.1 M NaCl solutions (pH 7) by means of electrochemical polarization measurements and SEM surface analysis. In both solutions these new alloy types exhibited improved corrosion behavior compared to wrought and heat-treated AA 2024 reference states. This is attributable to more refined microstructural states and to the formation of particular phases. The SLM samples comprise finely dispersed Q-phase particles which act cathodic and thus, trigger adjacent matrix phase dissolution. Additional T6 heat treatment was efficient for attaining the lowest corrosion current density of ~0.04 μA/cm2 and a widening of the anodic passive range to ~400 mV in 0.1 M NaCl. Only this alloy state shows a repassivation ability upon reverse scanning. T6 treatment yields mainly the Mg2Si phase acting as local anode and a widely passive Al-based matrix phase. Altogether, SLM processing with final heat treatment of the Al-3.5Cu-1.5 Mg–1Si alloy is suitable for achieving not only superior mechanical performance but also improved corrosion stability.
P. Wang, A. Gebert, …, K. Kosiba, U. Kühn, S. Scudino et al., Corrosion of Al-3.5Cu-1.5 Mg–1Si alloy prepared by selective laser melting and heat treatment, Intermetallics 124 (2020) 106871.

● Zr52.5Cu17.9Ni14.6Al10Ti5 bulk metallic glass specimen with nearly full density were fabricated by means of SLM. The SLM-BMG demonstrated wear and corrosion resistances which are very similar to those of as-cast BMG reference samples. From potentiodynamic polarization measurements, which were conducted in 0.01 M Na2SO4 and 0.1 M NaCl electrolyte, for the SLM samples a slightly reduced susceptibility to pitting corrosion and a better surface healing ability was derived. This may be attributed to an improved homogeneity of the additively manufactured glass.
L. Deng, A. Gebert, …, K.Kosiba, S. Pauly et al., Mechanical performance and corrosion behaviour of Zr-based bulk metallic glass produced by selective laser melting, Mater. Design 189 (2020) 108532.
● The impact of SLM processing of a novel biodegradable Fe–30Mn–1C–0.02S twinning-induced plasticity (TWIP) alloy on resulting structural, mechanical, and corrosion properties was investigated. The occurring rapid solidification resulted in a fine-grained austenitic microstructure with mainly homogeneous element distribution. Immersion tests and electrochemical corrosion analysis in a simulated body fluid (SBF) indicated a moderate corrosion activity, and a beneficial uniform degradation. Regarding the envisaged application for vascular implants, SLM-processed stent prototypes out of the novel alloy are demonstrated.
J. Hufenbach, J. Sander, …, U. Kühn, A. Gebert et al., Effect of Selective Laser Melting on Microstructure, Mechanical, and Corrosion Properties of Biodegradable FeMnCS for Implant Applications, Adv. Eng. Mater. (2020) 2000182.
● By means of selective laser melting (SLM) Zr52.5Cu17.9Ni14.6Al10Ti5 bulk metallic glass specimen with nearly full density were fabricated. The SLM-BMG demonstrated wear and corrosion resistances which are very similar to those of as-cast BMG reference samples. From potentiodynamic polarization measurements which were conducted in 0.01 M Na2SO4 and 0.1 M NaCl electrolyte for the SLM samples a slightly reduced susceptibility to pitting corrosion and a better surface healing ability was derived. This may be attributed to an improved homogeneity of the additively manufactured glass.
L. Deng, A. Gebert, …, K.Kosiba, S. Pauly et al., Mechanical performance and corrosion behaviour of Zr-based bulk metallic glass produced by selective laser melting, Mater. Design 189 (2020) 108532.
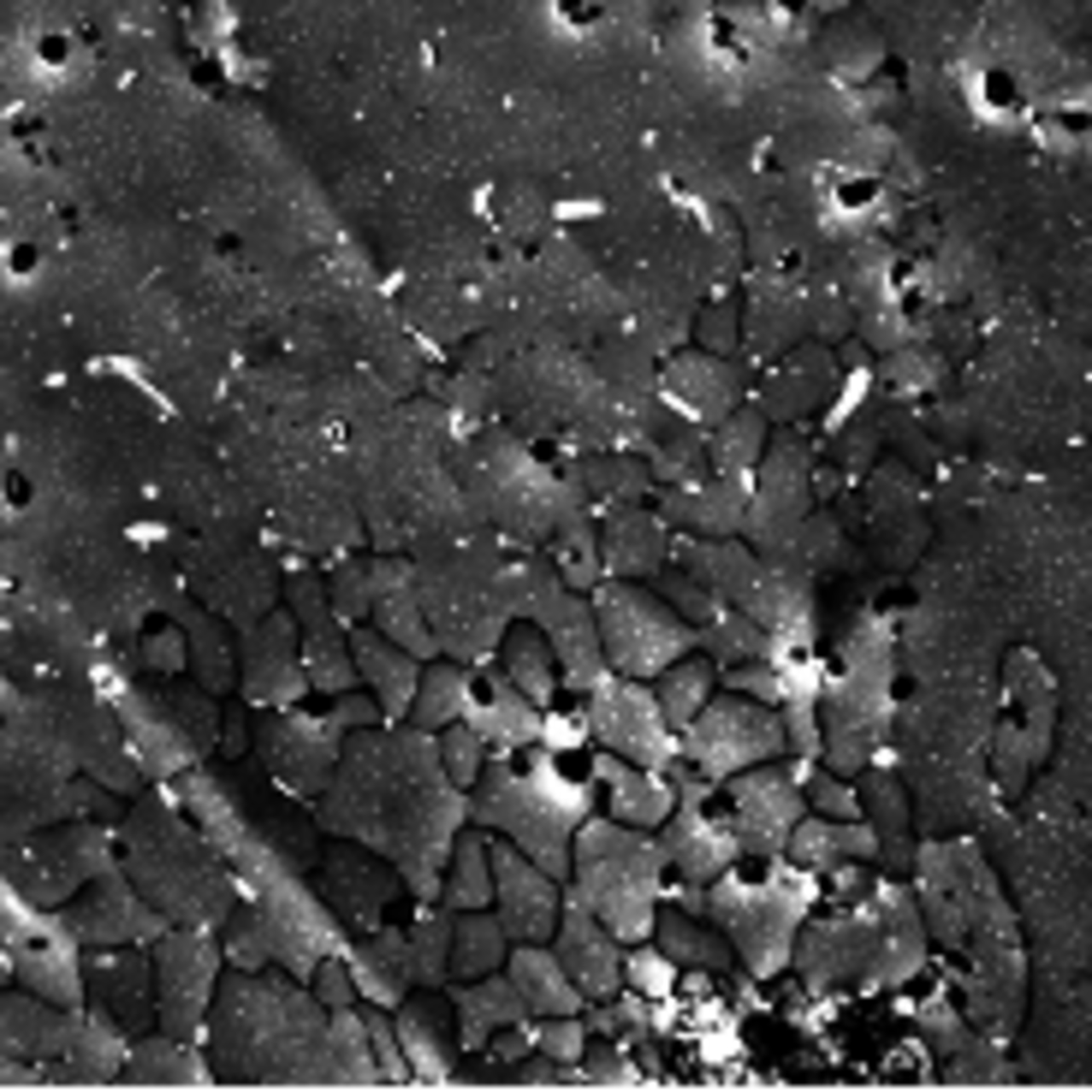
● The superposition of environmentally induced reactions and mechanical load gives rise to significant stress corrosion cracking (SCC) and corrosion fatigue (CF) phenomena, which are poorly understood at present for bulk metallic glasses. In early studies we analyzed basic interactions between shear bands and corrosion pits. The focus of a recent project was on the detailed analysis of SCC phenomena for cast Zr52.5Cu17.9Ni14.6Al10Ti5 BMG samples in selected chloride-containing electrolytes. First, 3PB tests with un-notched bar specimen in solution under in situ control of the electrochemical response revealed significant effects of increasing applied elastic load levels and increasing anodic potentials towards a reduction of the total time to fracture. Further SCC tests with notched 3PB specimen conducted in 0.01 M NaCl solution demonstrated that due to corrosive attack the applied load to attain material failure load is much smaller than that determined when similar tests were performed in air. From fracture surface analysis and the in-situ monitored corrosion characteristics, it is concluded that pitting at surface defects is the typical initiation step followed by hydrogen embrittlement as the major failure cause for fracture under the harsh SCC test conditions. The chemical alloy composition with Zr and Cu as main constituents appears to be problematic as those facilitate the pitting process and enable the local generation of hydrogen. According to our present state of knowledge, the catastrophic stress corrosion failure evidenced for these BMG samples must be generalized to Zr–Cu-based BMG types with similar compositions.
A.Gebert, D. Geissler et al., Studies on Sress corrosion cracking of Vit105 Bulk metallic glass, Frontiers Mater. 7 (2020) 128.
D. Geissler et al., Catastrophic stress corrosion failure of Zr-base bulk metallic glass through hydrogen embrittlement, Corros. Sci. 159 (2019) 108057.
P.F. Gostin et al., Stress corrosion cracking of a Zr-based bulk metallic glass, Mater. Sci. Eng. A 639 (2015) 681.
A. Gebert et al., Interactions between mechanically generated defects and corrosion phenomena of Zr-based bulk metallic glasses, Acta Mater. 60 (2012) 2300.
| project: | DFG SPP 1594 |
| partner: | AG Kerscher TU Kaiserlautern, AG Wilde WWU Münster |

● Fundamental corrosion studies on bulk glassy alloys of compositional types (Zr,Ti,Nb)-(Cu,Ni,Co,Fe)-(Al,Be,Ag,Pd) revealed excellent passivity in halide-free electrolytes within a wide pH value range at room temperature. This is mainly due to their high concentration of valve-metals which form thin barrier-type oxide films on the alloy surfaces. However, chloride-induced local corrosion (pitting) related with severe pit growth and poor re-passivation ability is very typical. Comparative studies with prominent glass-formers revealed that the corrosion susceptibility correlates with the Cu content of the alloys. Moreover, the surface finishing state of a glass, e.g. mechanically ground, fine polished or shot peened, determines surface passivation and corrosion initiation. In particular, structural heterogeneities like crystalline inclusions (cast defects) are critical corrosion initiation sites. In consequence, for glass-matrix composites with significant structural and compositional differences between the constituent phases the corrosion behavior has to be carefully assessed.
P.F. Gostin et al., Comparing the pitting corrosion resistance of prominent Zr-based bulk metallic glasses, J. Mater. Res. 30 (2015) 233.
A. Gebert et al., Effect of surface finishing of a Zr-based bulk metallic glass on its corrosion behaviour, Corros. Sci. 52 (2010) 1711.
J. R. Scully, A. Gebert, J. H. Payer, Corrosion and related mechanical properties of bulk metallic glasses, J. Mater. Res. 22 (2007) 302.

● Ti-based metallic glass-forming alloys are mainly developed with view to biomedical applications. Appropriate design strategies comprise considerations regarding biological safety, i.e. the selection of non-toxic elements, and on the other hand, constituents which enhance the glass-forming ability. Typical examples are Ti75Zr10Si15 and Ti60Nb15Zr10Si15. Via control of the rapid solidification conditions fully amorphous materials or bcc-Ti-phase reinforced metallic glass nano-composites can be obtained. Nb is beneficial for improving the glass-formation. Upon mechanical testing melt-spun ribbons showed an interesting combination of very high hardness values and moderate reduced elastic modulus values. This suggests these new materials for applications demanding high wear resistance. Those alloys are highly corrosion-resistant also in synthetic body fluids. Thermal and electrochemical oxidation treatments are feasible approaches to enhance the biocompatibility of the alloy surfaces.
S. Abdi, M. Bönisch et al., Thermal oxidation behavior of glass-forming Ti-Zr-(Nb)-Si alloys, J. Mater. Res. 31 (2016) 1264.
S. Abdi et al., Corrosion behavior and apatite-forming ability of glassy Ti75-xZr10NbxSi15 (x=0,15) alloys – potential materials for implant applications, J. Biomed. Mater. Res. Part B 104 (2016) 27.
S. Abdi et al., Effect of Nb addition on microstructure evolution and nanomechanical properties of a glass-forming Ti-Zr-Si alloy, Intermetallics 46 (2014) 156.
M. Calin at al., Designing biocompatible Ti-based metallic glasses for implant applications, Mater. Sci. Eng. C 33 (2013) 875.
Projekt: EU ITN BIOTINET

● Various Ti alloys were studied regarding the impact of their composition-dependent microstructure on mechanical and chemical/ electrochemical properties.
A cast AlNbTiZr high entropy alloy (HEA) with solid solution bcc dendrites and inter-dendritic Zr2Al intermetallic phase exhibits high specific yield strength and high fracture strength. Thermo-gravimetric analyses and long-term exposure tests in synthetic air up to 1273 K were conducted to analyze the oxidation behavior. Formed oxide layers were protective, intact, and spallation did not occur.
Cast ultrafine-structured Ti70.5Fe29.5 and Ti67.79Fe28.36Sn3.85 eutectic alloys comprising beta-Ti and TiFe phases were electrochemically analyzed in halide-free aqueous media (pH 1–13). Both alloys exhibited excellent corrosion resistance due to spontaneous passivation. The passive film composition was found to vary with the pH value of the test solution. Pitting corrosion was investigated in strongly acidic media (pH≤1) containing 0.1–3M of chloride ions. The Sn-containing eutectic alloy revealed a higher pitting susceptibility.
A Ti–Y–Al–Co phase separated metallic glass was employed as starting material to generate nanoporous metallic glass structures by means selective phase etching. The alloy state with nanoporous surface showed in synthetic body fluid an improved corrosion resistance.
Zr66Nb13Cu8Ni6.8Al6.2 and Ti66Nb13Cu8Ni6.8Al6.2 alloys with in situ formed nanostructured matrix and dendritic bcc phase were obtained by Cu mould casting. Both alloys show excellent passivity chloride-free solutions due to the formation of very protective passive films. But the Zr-based alloy was more prone to chloride-induced localized corrosion. For both alloys as a key feature preferential dissolution of the Cu-enriched and Nb-depleted nanostructured matrix was observed.
J. Jayaraj et al., Microstructure, mechanical and thermal oxidation behavior of AlNbTiZr high entropy alloy, Intermetallics 100 (2018) 9.
R. Sueptitz et al., Corrosion and pitting behaviour of ultrafine eutectic Ti–Fe–Sn alloys, J. Alloys Compd. 503 (2010) 19.
J. Jayaraj et al., Nano-porous surface states of Ti–Y–Al–Co phase separated metallic glass, Intermetallics 17 (2009) 1120.
P.F. Gostin et al., Comparing the corrosion behaviour of Zr66/Ti66–Nb13Cu8Ni6.8Al6.2 bulk nanostructure-dendrite composites, Intermetallics 16 (2008) 1179.

● A series of bulk amorphous steels (BAS) with castability of up to several centimeters thickness and extremely high strength and hardness has raised interest for structural applications. The corrosion behavior of a prominent example, (Fe44.3Cr5Co5Mo12.8Mn11.2C15.8B5.9)98.5Y1.5, was studied in different aqueous electrolytes. In acidic solutions, due to its single-phase nature, the BAS exhibits a much higher stability than the multiphase crystalline counterpart and the conventional steel X210Cr12. The acid corrosion process based on multiple micro-pit formation was analyzed in detail. With increasing pH value, the overall elemental composition of the alloy plays a more important role than structural particularities. The reactive elements Mo, Mn, Co are considered to cause a diminished corrosion stability of the BAS.
P.F. Gostin et al., Acid corrosion process of Fe-based bulk metallic glass, Corros. Sci. 62 (2012) 112.
P.F. Gostin et al., Comparison of the corrosion of bulk amorphous steel with conventional steel, Corros. Sci. 52 (2010) 273.

● Amorphous alloys based on the Mg-TM-RE system (TM= transition metal; RE= rare earth) show in many environments significantly reduced corrosion rates and improved anodic passivity as compared to Mg and conventional Mg alloys. However, they are very sensitive to local degradation phenomena like pitting and filiform corrosion. Moreover, those amorphous (or related nanostructured) alloys exhibit a high capability for hydrogen absorption which may cause materials embrittlement. On the other hand, some alloys are suitable for hydrogen storage. Fundamental aspects of their hydrogen reactivity upon electrochemical or gas phase charging were investigated.
A. Teresiak et al., Influence of Co and Pd on the formation of nanostructured LaMg2Ni and its hydrogen reactivity, J. Alloys Compd. 582 (2014) 647.
A.Gebert, Corrosion behaviour of magnesium (Mg)-based bulk metallic glasses, In “Corrosion of magnesium alloys”, ed. G.L. Song, Woodhead Publishing Limited, (2011), p.207.
B. Khorkounov et al., Improving the performance of hydrogen storage electrodes based on mechanically alloyed Mg61Ni30Y9, J. Alloys Compd. 458 (2008) 479.
A.Gebert et al., Stability of rapidly quenched and hydrogenated Mg–Ni–Y and Mg–Cu–Y alloys in extreme alkaline medium, J. Alloys Compd. 419 (2006) 319.
Project: DFG

Electrochemical micromachining (ECMM) is an advanced technique for micro-shaping metallic materials surfaces with very high precision. A special ECMM method using metallic micro-tools and ultrashort voltage pulses is applied for micromachining Fe-based and Zr-based bulk metallic glasses. A key challenge is to overcome the strong passivity of those alloys and to properly exploit the high transpassive reactivity for controlled anodic dissolution at micrometer dimension. In particular, for Fe-based glasses, suitable processing parameters could be identified for the generation of micro-holes with high aspect ratio and of complex micro-shapes. The single-phase glassy nature is beneficial for achieving very high precision. The setup which was developed at the IFW is useful also for other microelectrochemical approaches, e.g. local potential probing etc.
S. Horn et al., Complex microshaping of bulk metallic glass surfaces by electrochemical means, J. Mater. Res. 30 (2015) 3493.
R. Sueptitz et al., Electrochemical micromachining of passive electrodes, Electrochimica Acta 109 (2013) 562.
R. Sueptitz et al., Micro-patterning of Fe-based bulk metallic glass surfaces by pulsed electrochemical micro-machining (ECMM), J. Mater. Res. 27 (2012) 3033.
A. Koza at el., Electrochemical micromachining of a Zr-based bulk metallic glass using a micro-tool electrode technique, Intermetallics 19 (2011) 437.
Project: DFG


BIOREMIA ("BIOfilm-REsistant Materials for hard tissue Implant Applications") is a 4-year project funded by the European Commission under Horizon 2020 Marie Skłodowska Curie Actions (European Network Training, GA No. 861046).
The key idea behind this project is to address the implant/biomaterial-associated infections problem by developing novel biomaterials and coatings that can reduce both bacterial adhesion and biofilm formation.
Implant-associated infections, commonly caused by biofilm-forming bacteria, are highly problematic for the patient, healthcare system, and society. These biofilms are difficult to treat with conventional antibiotic treatments and novel strategies for avoiding bacterial colonization and biofilm formation is needed.
BIOREMIA aims to tackle this problem by proposing innovative material-based solutions with enhanced antibacterial and antifouling functionality that will result in improved biological acceptance of implants for bone-related applications (orthopedics and dentistry). BIOREMIA scientists will use state of the art materials and surface modification technologies designed to potentially limit the initial stages of bacterial adhesion, as well as biofilm formation.
BIOREMIA research program will be implemented by 15 Early Stage Researchers (ESRs) / PhD students spread across 11 academic and industrial institutions from 10 European countries (Germany, Austria, Italy, Sweden, Greece, UK, Spain, Ireland, France, and Switzerland). Two BIOREMIA PhD students are hosted by our department:
Background information on all ESR projects and BIOREMIA Network activities is available on www.bioremia.eu
Contact:
Assoc. Prof. Dr. Mariana Calin (BIOREMIA coordinator)
Phone: +49 351 4659 613
E-mail: m.calin(at)ifw-dresden.de
Dr. Annett Gebert
a.gebert(at)ifw-dresden.de
+49 (0)351 4659 275
Postal address
Institute for Materials Chemistry
IFW Dresden
Helmholtzstrasse 20
01069 Dresden
Germany