
Rare earth magnets like NdFeB or SmCo are the strongest permanent magnets and have found a broad range of applications. But their corrosion stability is a critical aspect determining their life-time. We have a long-term expertise in characterizing corrosion properties of those materials. This ranges from fundamental studies of the effect of materials parameters, e.g. microstructure and magnetization state, on principal corrosion mechanisms up to the development of specific test scenarios for industrial needs. This expertise is used for corrosion analysis of magnetocaloric alloys and for developing recycling strategies for rare earth containing magnetic materials.
Magnetic fields which are applied on electrochemical processes can have significant effects by generating additional forces on species in solution near to an electrode surface. Fundamental studies are conducted to analyze and describe the impact of those field effects on corrosion, electrodeposition and gas evolution.
We work in close cooperation with the groups “Hard magnetic Materials” (IMW) and “Nanoscale Electrodeposition and Magnetoionics“ (IMW)

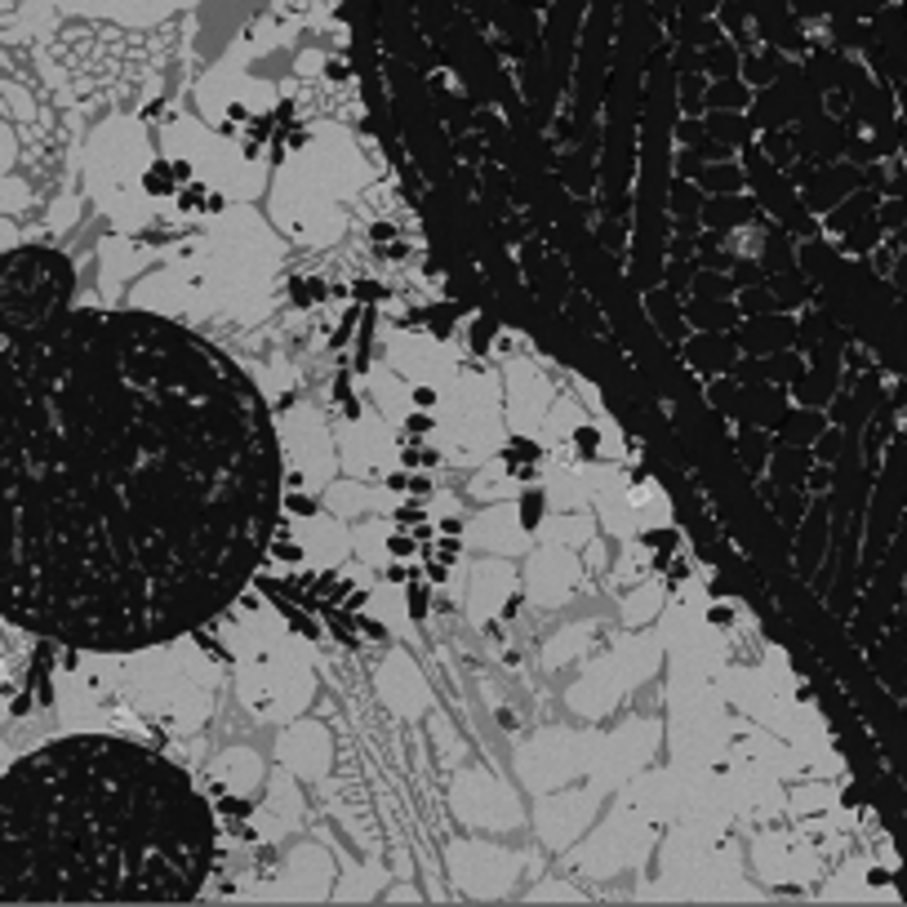
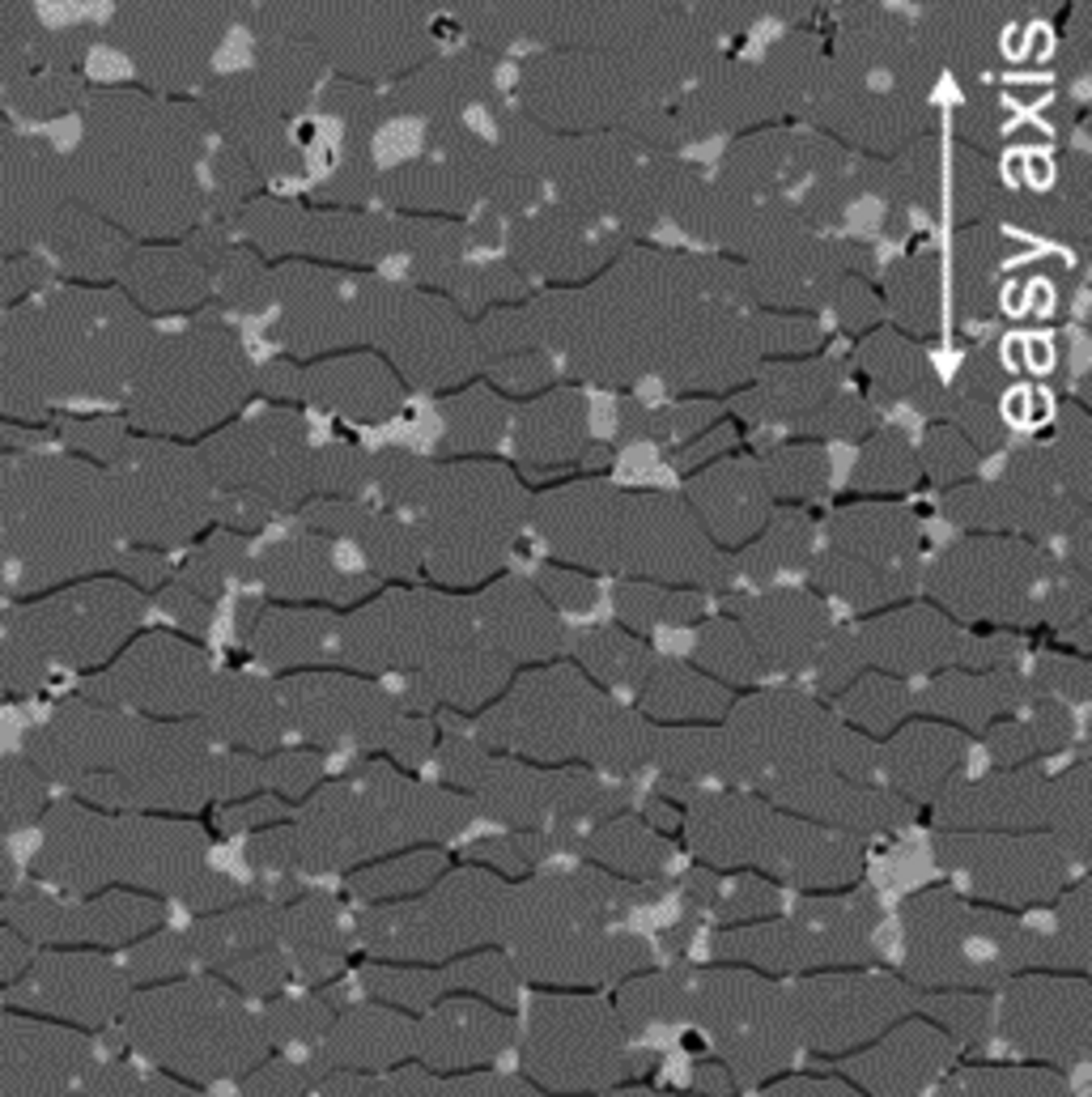
The microstructure of NdFeB magnets usually comprising ferromagnetic grains surrounded by intergranular Nd-rich phase regions is critical for their corrosion stability. We have fundamentally studied the effect of various materials parameters, e.g. composition including additives, grain size and texture, on the complex corrosion processes of magnet materials in different electrolytes. Corrosion degradation is driven not only by the active dissolution tendency of Nd-rich phases but also by the strong hydrogen absorption capability of the material. In particular, it was demonstrated that the magnetization state of the magnet material is decisive for their corrosion rates. Base studies on Fe revealed that magnetic field gradient forces determine the (local) corrosion activity of ferromagnetic electrodes. Accelerated corrosion was also confirmed for (coated) magnets that were subjected to specific tests conditions which are relevant for e-motor applications.
R. Sueptitz et al., Effect of DyF3 on the corrosion behaviour of hot-pressed Nd-Fe-B permanent magnets, Mater. Corros. 66 (2015) 152.
M. Moore et al., Impact of magnetization state on the corrosion of sintered Nd-Fe-B magnets for e-motor applications, Mater. Corros. 65 (2014) 891.
R. Sueptitz et al., Effect of magnetization state on the corrosion behaviour of NdFeB permanent magnets, Corros. Sci. 53 (2011) 2843.
R. Sueptitz, Impact of magnetic field gradients on the free corrosion of iron, Electrochim. Acta 55 (2010) 5200.
M. Rada et al., Corrosion studies on highly textured Nd-Fe-B sintered magnets, J. Alloys Compd. 415 (2006) 111.
Projekt: DFG, FVA-FVV

Rare earths (RE) elements like Nd, Pr, Dy, Tb are key constituents of modern permanent magnets but, considering their perspective availability they are considered as most critical materials. Recycling of RE from Nd-Fe-B-magnet scrap is one strategy to oppose this problem. Melt-metallurgical processing under utilization of phase separation phenomena based on the immiscibility of involved elements is a way to accumulate RE in one phase. We proposed an approach in which Cu is used as agent for phase separation upon melting and solidification. Above a critical Cu content in a mixture with NdFeB scrap large phase separation into (Nd,Cu)-rich and (Fe,B)-rich regions was observed. Nd recovery from (Cu,Nd)-rich fractions is possible by various approaches exploiting the large chemical property differences between the reactive rare earths elements and the noble Cu.
M. Moore et al., A route for recycling Nd from Nd-Fe-B magnets using Cu melts, J. Alloys Compd. 647 (2015) 997.
R. Sueptitz et al., Corrosion, passivation and breakdown of passivity of neodymium, Corros. Sci 52 (2010) 886.

Magnetocaloric La(Fe,Si)13 based alloys are essential building blocks for magnetic cooling systems. However, their insufficient corrosion resistance in water-related transfer fluids is very critical. The corrosion behavior of as-cast and annealed La-Fe-Si alloy samples was analyzed in comparison to that of La and Fe for evaluation of the impact of alloy chemistry and microstructure. Electrochemical studies were conducted in defined electrolytes starting with aerated distilled water (pH=6) for assessing the influence of pH value changes and anion contaminations. Specifically, forced flow electrolyte conditions were applied which are closer to operation conditions of real magnetocaloric regenerator beds than stagnant ones. The reactive nature of the alloy constituents determines the high corrosion activity and limited passivation ability of La-Fe-Si alloys. Their exposure to distilled water is particularly detrimental under stagnant conditions as local fluid acidification enhances corrosion processes. These are based on galvanic coupling between the phases with different corrosion activities: La-rich phases > La(Fe,Si)13-based matrix > alpha-Fe(Si). Laminar fluid flow is beneficial for alloy surface passivation. But anion contaminants like sulphate or hydrogen phosphate ions counteract the weak passivity in flowing distilled water. While acidic conditions lead to instable corrosive states, a pH value control of the heat transfer fluid at alkaline conditions is effective for stable passivity of the alloy surface. Also, the applicability of a phosphate conversion coating treatments was evaluated.
A. Gebert, M. Krautz, A. Waske, Exploring corrosion protection of La-Fe-Si magnetocaloric alloys by passivation, Intermetallics 75 (2016) 88.

Magnetic fields which are applied on electrochemical processes can have significant effects by generating additional forces on charged species in solution near to an electrode surface. Most accepted is the Lorentz force which has an impact on moving charges by accelerating them in the direction perpendicular to the current and the flux density and thus, enhances the mass transport by additional convection (MHD effect). Further, the field gradient force pulls paramagnetic ions in regions of high flux density and diamagnetic ions in regions of low flux density, respectively. Its influence may overcome that of the Lorentz force when high gradients of the magnetic flux density are given. Those magnetic field effects have great impact on various application-relevant electrochemical reactions like corrosion, electrodeposition and gas evolution.
The model system Fe in sulphuric acid solution was used to analyze magnetic field effects on the anodic dissolution behaviour of a ferromagnetic electrode. Firstly, an Fe wire was corroded while superimposing a homogeneous external magnetic field up to 0.6 T. An increase of the diffusion-limited dissolution current density and a positive shift of the active–passive transition potential was observed when the magnetic field was applied parallel to the electrode surface. In perpendicular field configuration opposite trends were detected. The observed effects are discussed with respect to an increase of the mass transport due to the Lorentz-force-driven magnetohydrodynamic (MHD) effect, the magnetic field gradient force and its interaction with the paramagnetic ions. Further studies were conducted with single-crystal Fe cylinders coupled with a NdFeB magnet. Potentiodynamic and potentiostatic polarization studies with subsequent surface profile analysis revealed that high gradient magnetic fields affect the anodic behaviour of an Fe electrode in acidic media in all anodic polarization regions except the passive state and can lead to a localization of the corrosion attack. While NdFeB magnets are commonly analyzed regarding their corrosion behaviour in a non-magnetized multi-domain state, our corrosion studies with fully magnetized sintered magnets revealed non-negligible effects of the magnetization state on the free corrosion and anodic active dissolution behaviour in acidic media. A main observation is a significant localization of the degradation reactions on the pole faces of a magnet which can be described on basis of the field gradient force. Further studies with sintered NdFeB magnets of different qualities and under corrosion test conditions which are relevant for e-motor applications identified the magnetization state is a key parameter in quality control.
M. Moore et al., Impact of magnetization state on the corrosion of sintered Nd–Fe–B magnets for e-motor applications, Mater. Corros. 65 (2014) 891.
R. Sueptitz et al., Effect of magnetization state on the corrosion behaviour of NdFeB permanent magnets, Corros. Sci. 53 (2011) 2843.
R. Sueptitz et al., Effect of high gradient magnetic fields on the anodic behaviour and localized corrosion of iron in sulphuric acid solutions, Corros. Sci. 53 (2011) 3222.
R. Sueptitz et al., Magnetic field effect on the anodic behaviour of a ferromagnetic electrode in acidic solutions, Electrochim. Acta 54 (2009) 2229.
Projekt DFG, FVA-FVV
M. Cialone, M. Fernandez-Barcia et al., A comparative study of the influence of the deposition technique (electrodeposition versus sputtering) on the properties of nanostructured Fe70Pd30 films, Sci. Technol. Adv. Mater. 21 (2020) 424.
F. Karnbach, M. Uhlemann et al., Magnetic field templated patterning of the soft magnetic alloy CoFe, Electrochim. Acta 123 (2014) 477.
M. Uhlemann, K. Tschulik, …, G. Mutschke, K. Eckert et al., Structured electrodeposition in magnetic gradient fields, Eur. Phys. J. Special Topics, 220 (2013) 287.
J. A. Koza,…, M. Uhlemann et al., Hydrogen evolution under the influence of a magnetic field, Electrochim. Acta 56 (2011) 2665.
Projekt: DFG SFB 609, EU ITN SELECTA


Dr. Annett Gebert
a.gebert(at)ifw-dresden.de
+49 (0)351 4659 275
Postal address
Institute for Materials Chemistry
IFW Dresden
Helmholtzstrasse 20
01069 Dresden
Germany